软启动器
的有关信息介绍如下:
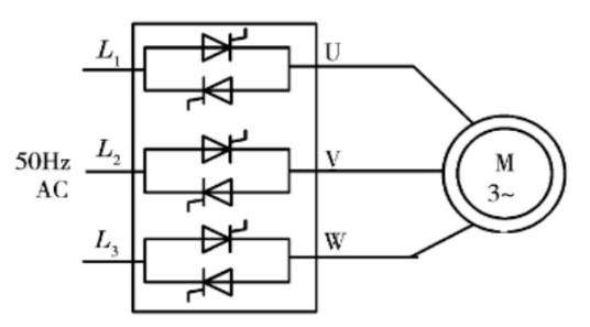
软启动器是一种集电机软起动、软停车、轻载节能和多种保护功能于一体的电机控制装置。 不仅实现在整个起动过程中无冲击而平滑的起动电机,而且可根据电动机负载的特性来调节起动过程中的参数,如限流值、起动时间等。
想要了解更多“软启动器”的信息,请点击:软启动器百科

软启动器是一种集电机软起动、软停车、轻载节能和多种保护功能于一体的电机控制装置。 不仅实现在整个起动过程中无冲击而平滑的起动电机,而且可根据电动机负载的特性来调节起动过程中的参数,如限流值、起动时间等。
想要了解更多“软启动器”的信息,请点击:软启动器百科