猪链球菌
的有关信息介绍如下:
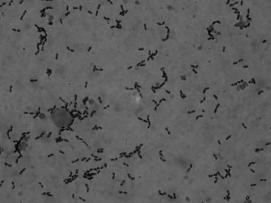
猪链球菌是具有荚膜的一种革兰氏阳性球菌。可根据其细胞壁抗原成分将其大致归类为兰氏分群(Lancefieldgroup D)D群链球菌。根据其荚膜抗原(CPS)的不同,猪链球菌被分为35(1~34型,1/2型)种血清型,其中1,2,7,9型是猪的致病菌。猪链球菌的定植部位为猪的上呼吸道,尤其是扁桃体和鼻腔。部分血清型的猪链球菌具有致病性,主要通过伤口感染。可引起猪的急性败血症(septicemia with sudden death)、脑膜炎(meningitis)、关节炎(arthritis)、心内膜炎(endocarditis)、肺炎(pneumonia)等疾病。部分菌株可引起人类感染,造成细菌性脑炎(bacterial meningitis)或引起中毒样休克综合征(toxic shock-like syndrome)。
2023年1月至9月,泰国已发现猪链球菌感染病例436例,其中死亡9例。
想要了解更多“猪链球菌”的信息,请点击:猪链球菌百科



